Omschrijving
Te huur: Bedrijfsruimte/loods + kantoorvertrekken.
In dit vrijstaande bedrijfspand gebouwd in 2005 bieden wij te huur aan:
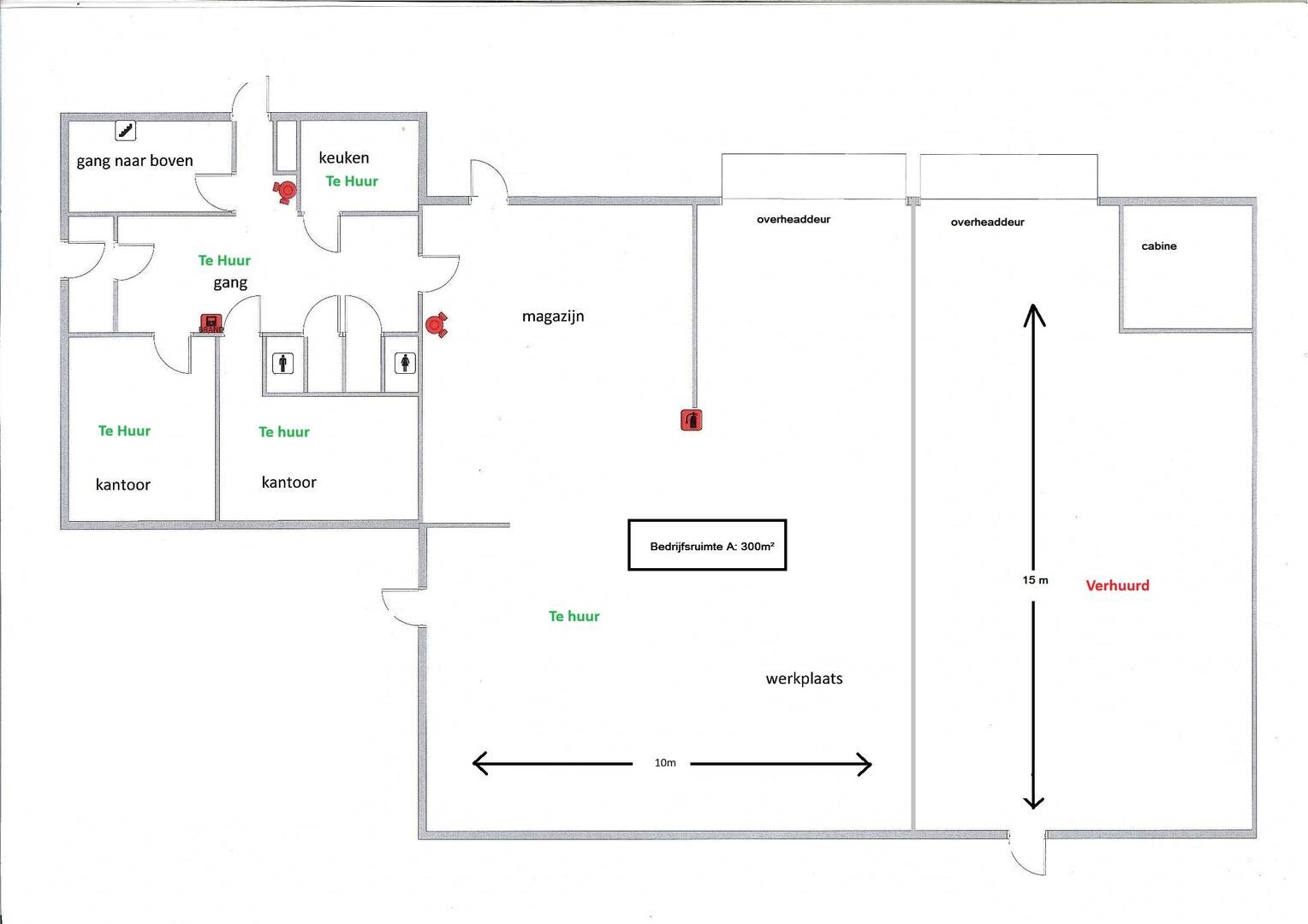
Een ruime loods met loopdeur en overheaddeur en binnendoor toegang tot de kantoorvertrekken.
De kantoorvertrekken bevinden zich op de begane grond aan de voorkant van het pand.
Hier vindt u ook de gedeelde kantine en toiletruimtes.
Het bedrijfspand is gelegen op industrie terrein De Haven in Drachten.
In de directe omgeving zijn verschillende productie- en dienstverlenende bedrijven gevestigd.
Indeling
Bedrijfspand:
Begane grond: entree, hal, 2 kantoorvertrekken, kantine, 2 toiletten. (BESCHIKBAAR.)
Verdieping: trapopgang hal, 2 kantoorvertrekken, totaal ca. 90 m² (verhuurd)
Bedrijfsruimte/loods (eerste) 10 m bij 15 m = 150m² BESCHIKBAAR.
2x aansluitende loosden, (verhuurd).
Wijze van oplevering
Casco loods.
Loopdeur en overheaddeur loods;
Kadastrale gegevens
Bedrijfspand: Gemeente Drachten, sectie A, nummer 15245, groot 1306 m².
Bestemming:
Bedrijfsactiviteiten, die zijn genoemd in bijlage 1 onder de categorieën 1, 2, 3.1, 3.2, 4.1, 4.2, 5.1 en 5.2
Aanvaarding
in overleg, mogelijk vanaf medio februari 2026.
Bezichtiging:
Bezichtigingen uitsluitend op afspraak tijdens kantooruren, met de makelaar.
Huur €1300,- per maand ex. btw is €15.600,- per jaar ex. btw in de huidige staat.
Huurprijsaanpassing
Jaarlijks, voor het eerst één jaar na datum huuringang, op basis van de wijziging van het prijsindexcijfer volgens de consumentenprijsindex (CPI) reeks CPI-Alle Huishoudens (2000=100), gepubliceerd door het Centraal Bureau voor de Statistiek (CBS).
Huurtermijn
Minimaal 2 jaar.
Omzetbelasting huur
Ingevolge artikel 11, lid 1, sub B, van de Wet Omzetbelasting zullen verhuurder en huurder een verklaring ondertekenen, op grond waarvan zij opteren voor belaste verhuur. Deze zogenaamde 'opteringsverklaring' zal bij ondertekening van de huurovereenkomst door huurder zijn ondertekend. Huurder verklaart hierbij dat de onroerende zaak ook tenminste gebruikt gaat worden voor doeleinden waarvoor recht op aftrek van omzetbelasting bestaat. Aan een niet BTW-plichtige huurder zal een BTW compensatie in rekening worden gebracht.
Zekerheidsstelling
Een bankgarantie ter grootte van een betalingsverplichting van tenminste twee maanden.
Betalingswijze
De huurpenningen, servicekosten en BTW dienen te worden voldaan bij vooruitbetaling per maand.
Huurovereenkomst
De huurovereenkomst zal op basis van het standaard model van de Raad van Onroerende Zaken (ROZ) met bijbehorende Algemene Bepalingen, gedeponeerd en ingeschreven bij de griffie van de rechtbank te 's-Gravenhage, worden opgemaakt.
In dit vrijstaande bedrijfspand gebouwd in 2005 bieden wij te huur aan:
Een ruime loods met loopdeur en overheaddeur en binnendoor toegang tot de kantoorvertrekken.
De kantoorvertrekken bevinden zich op de begane grond aan de voorkant van het pand.
Hier vindt u ook de gedeelde kantine en toiletruimtes.
Het bedrijfspand is gelegen op industrie terrein De Haven in Drachten.
In de directe omgeving zijn verschillende productie- en dienstverlenende bedrijven gevestigd.
Indeling
Bedrijfspand:
Begane grond: entree, hal, 2 kantoorvertrekken, kantine, 2 toiletten. (BESCHIKBAAR.)
Verdieping: trapopgang hal, 2 kantoorvertrekken, totaal ca. 90 m² (verhuurd)
Bedrijfsruimte/loods (eerste) 10 m bij 15 m = 150m² BESCHIKBAAR.
2x aansluitende loosden, (verhuurd).
Wijze van oplevering
Casco loods.
Loopdeur en overheaddeur loods;
Kadastrale gegevens
Bedrijfspand: Gemeente Drachten, sectie A, nummer 15245, groot 1306 m².
Bestemming:
Bedrijfsactiviteiten, die zijn genoemd in bijlage 1 onder de categorieën 1, 2, 3.1, 3.2, 4.1, 4.2, 5.1 en 5.2
Aanvaarding
in overleg, mogelijk vanaf medio februari 2026.
Bezichtiging:
Bezichtigingen uitsluitend op afspraak tijdens kantooruren, met de makelaar.
Huur €1300,- per maand ex. btw is €15.600,- per jaar ex. btw in de huidige staat.
Huurprijsaanpassing
Jaarlijks, voor het eerst één jaar na datum huuringang, op basis van de wijziging van het prijsindexcijfer volgens de consumentenprijsindex (CPI) reeks CPI-Alle Huishoudens (2000=100), gepubliceerd door het Centraal Bureau voor de Statistiek (CBS).
Huurtermijn
Minimaal 2 jaar.
Omzetbelasting huur
Ingevolge artikel 11, lid 1, sub B, van de Wet Omzetbelasting zullen verhuurder en huurder een verklaring ondertekenen, op grond waarvan zij opteren voor belaste verhuur. Deze zogenaamde 'opteringsverklaring' zal bij ondertekening van de huurovereenkomst door huurder zijn ondertekend. Huurder verklaart hierbij dat de onroerende zaak ook tenminste gebruikt gaat worden voor doeleinden waarvoor recht op aftrek van omzetbelasting bestaat. Aan een niet BTW-plichtige huurder zal een BTW compensatie in rekening worden gebracht.
Zekerheidsstelling
Een bankgarantie ter grootte van een betalingsverplichting van tenminste twee maanden.
Betalingswijze
De huurpenningen, servicekosten en BTW dienen te worden voldaan bij vooruitbetaling per maand.
Huurovereenkomst
De huurovereenkomst zal op basis van het standaard model van de Raad van Onroerende Zaken (ROZ) met bijbehorende Algemene Bepalingen, gedeponeerd en ingeschreven bij de griffie van de rechtbank te 's-Gravenhage, worden opgemaakt.
Specificaties
Over dit object
Overdracht
| Status | beschikbaar |
|---|---|
| Prijs | € 1.300,00 p.m |
Bouw
| Bouwvorm | bestaande bouw |
|---|---|
| Hoofdfunctie | bedrijfsruimte |
Energie
| Energielabel | A |
|---|
Functie informatie
Plan bezichtiging
voor: De Boeg 12
Noorderlicht Makelaars
| 0512-543210 | |
| 31512543210 | |
| [email protected] |

























